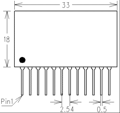
與芯片同等大小的步進電機驅(qū)動器ZD-M1A 0-1.5A,電流細分可定制

ZD-M1A,像芯片一樣可以直接焊接到電路板上的驅(qū)動器
|
1、1、2、4、8、16細分可選
2、過熱自動保護
3、輸出電流可定制
4、自動半流可選
5、具有短路保護功能
6、支持脫機、使能、鎖定等功能 |
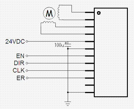
管腳定義
|
序號 |
名稱 |
用法 |
|
1 |
A+ |
電機A相線圈 |
|
2 |
A- |
|
3 |
B+ |
電機B相線圈 |
|
4 |
B- |
|
5 |
VM |
電源正極,輸入電壓6-32VDC,建議對地接大于100uF電解電容 |
|
6 |
GND |
電源地 |
|
7 |
EN |
使能,低電平或懸空使能,設備工作;高電平脫機,設備待機 |
|
8 |
DIR |
方向,高電平或懸空電機正轉(zhuǎn);低電平電機反轉(zhuǎn) |
|
9 |
CLK |
脈沖輸入信號,上升沿有效 |
|
10 |
ER |
錯誤報警,正常時為高阻,短路或過熱保護時為低(漏極),漏極電流<6mA |
|
11 |
5V |
驅(qū)動自帶5V基準,無需外接供電,也不能作為外部設備供電用 |
|
12 |
GND |
電源地 |


兩相混合式步進電機驅(qū)動器說明書PDF下載:
ZD-M1A說明書.pdf
聯(lián)系方式:北京時代超群電器科技有限公司
http://m.wlywrsj.cn/news2.asp?id=9450
聯(lián)系電話: 13811070445
010-87197282-813
010-87197282-807(傳真)
Q Q:467102884
郵 箱:suqiniu@163.com
淘寶店鋪:
|